Online electronic circuit editor
EN
EN
RU
Log In
Sign Up
Demo
Components
Abstract
Discrete
Connectors_
Power
Integrated circuits
My symbols
Transformers
Switches
Vacuum tubes
Indication
Audio
Connectors
Discrete
Transistors
Resistors
Capacitors
Diodes
Electrolytic capacitors
Contactors
Circuit breakers
Circuit protection
Relays
Crystals
Inductors
Bipolar NPN
Bipolar PNP
FET, n-channel
FET, p-channel
Schottky FET, n-channel
Schottky FET, p-channel
MOSFET, n-channel
MOSFET. p-channel
MOSFET, dep., n-channel
MOSFET, dep., p-channel
Low power
Medium power
High power
2N2712
NPN General Purpose Transistor
Pinout:
Default
Style:
GOST
Variant:
Variant 1
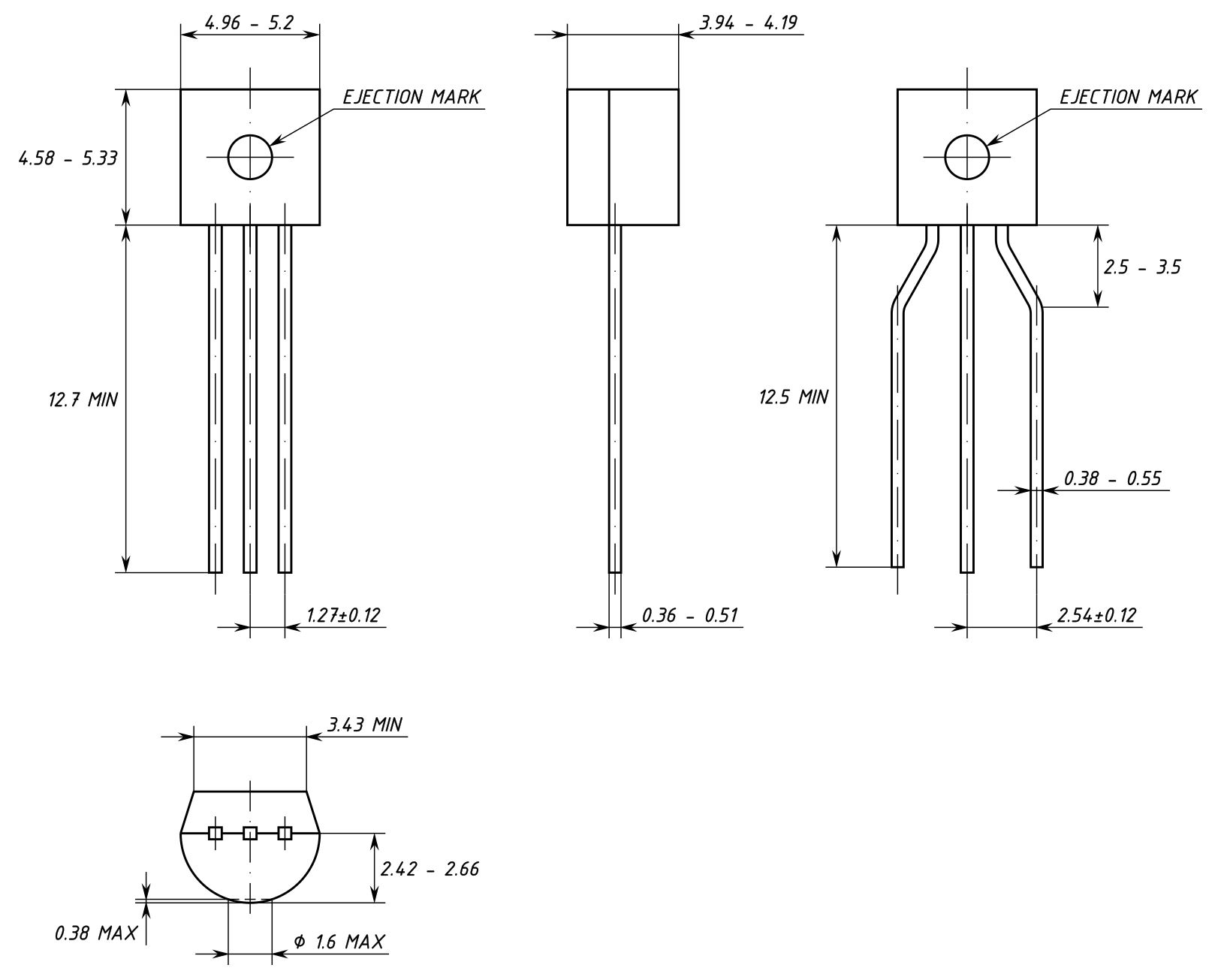
TO-92
(SOT54)
Manufacturer:
Central Semiconductor
Part number:
2N2712
JEDEC TO-92 (SOT54)
package diagram