Онлайн редактор электронных схем
RU
EN
RU
Вход
Регистрация
Демо
Компоненты
Абстрактные
Дискретные
Разъёмы, соединители
Питание
Микросхемы
Мои символы
Трансформаторы
Коммутация
Электровакуумные приборы
Индикация
Акустика
Разъёмы
Разъёмы
Общего назначения
Pin Headers
Разъёмы DIN
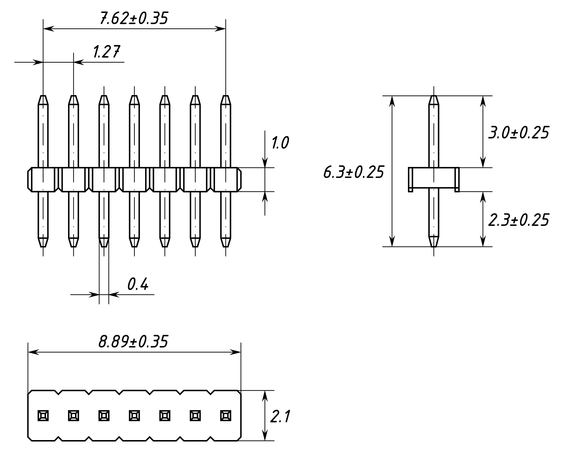
Вилка штыревая 7x1, 1.27мм
Однорядная штыревая вилка, 7 контактов с шагом 1.27мм
Цоколёвка:
По-умолчанию
Стиль:
ЕСКД
Вариант:
Вариант 1
PHC7x1
Производитель:
Amphenol
Код изделия:
G8020071106YEU
Pin header connector 7x1
чертёж корпуса