Онлайн редактор электронных схем
RU
EN
RU
Вход
Регистрация
Демо
Компоненты
Абстрактные
Дискретные
Разъёмы, соединители
Питание
Микросхемы
Мои символы
Трансформаторы
Коммутация
Электровакуумные приборы
Индикация
Акустика
Разъёмы
Разъёмы
Общего назначения
Pin Headers
Разъёмы DIN
Вилка штыревая 6x1, 1.27мм
Однорядная штыревая вилка, 6 контактов с шагом 1.27мм
Цоколёвка:
По-умолчанию
Стиль:
ЕСКД
Вариант:
Вариант 1
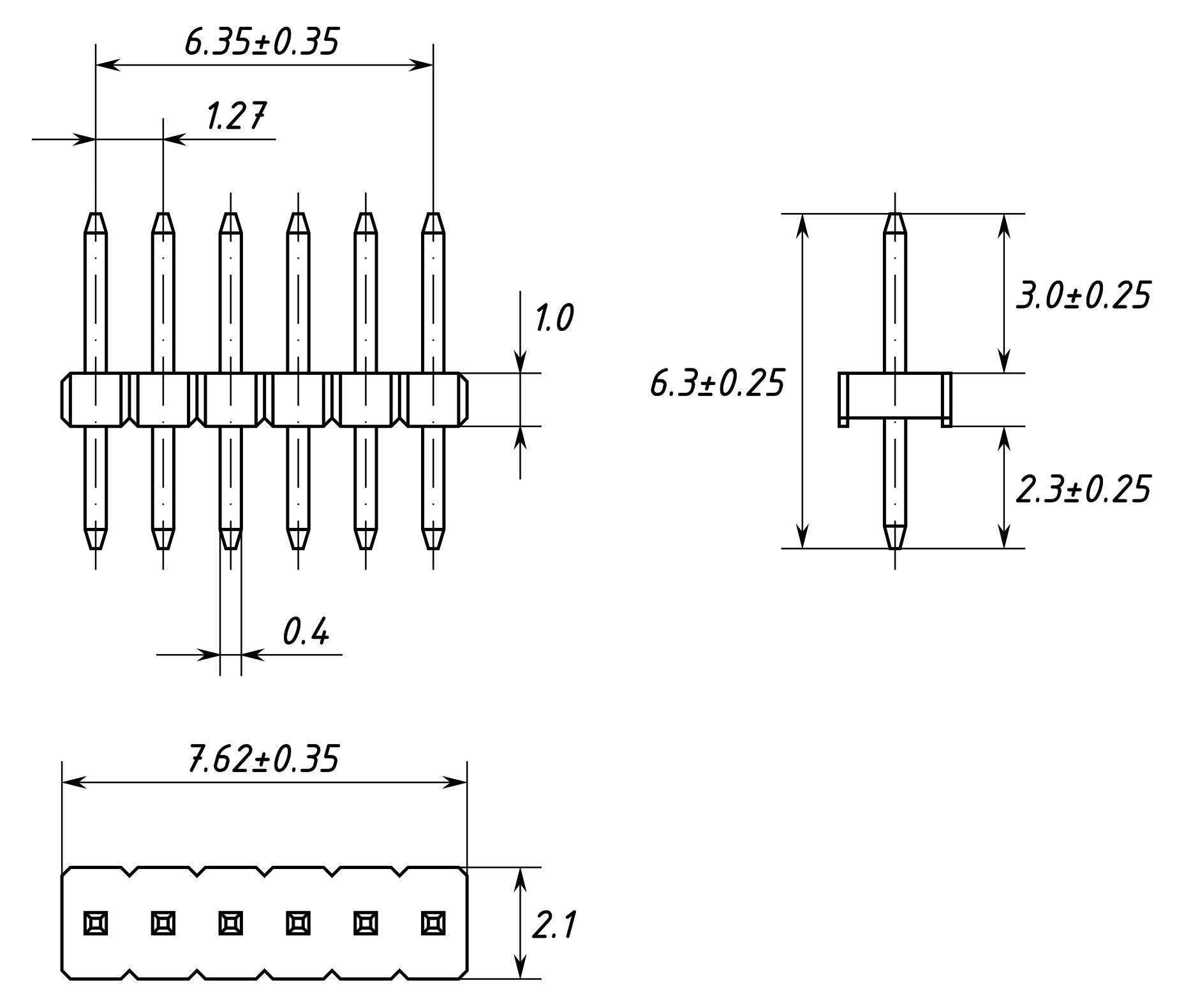
PHC6x1
Производитель:
Amphenol
Код изделия:
G8020061106YEU
Pin header connector 6x1
чертёж корпуса
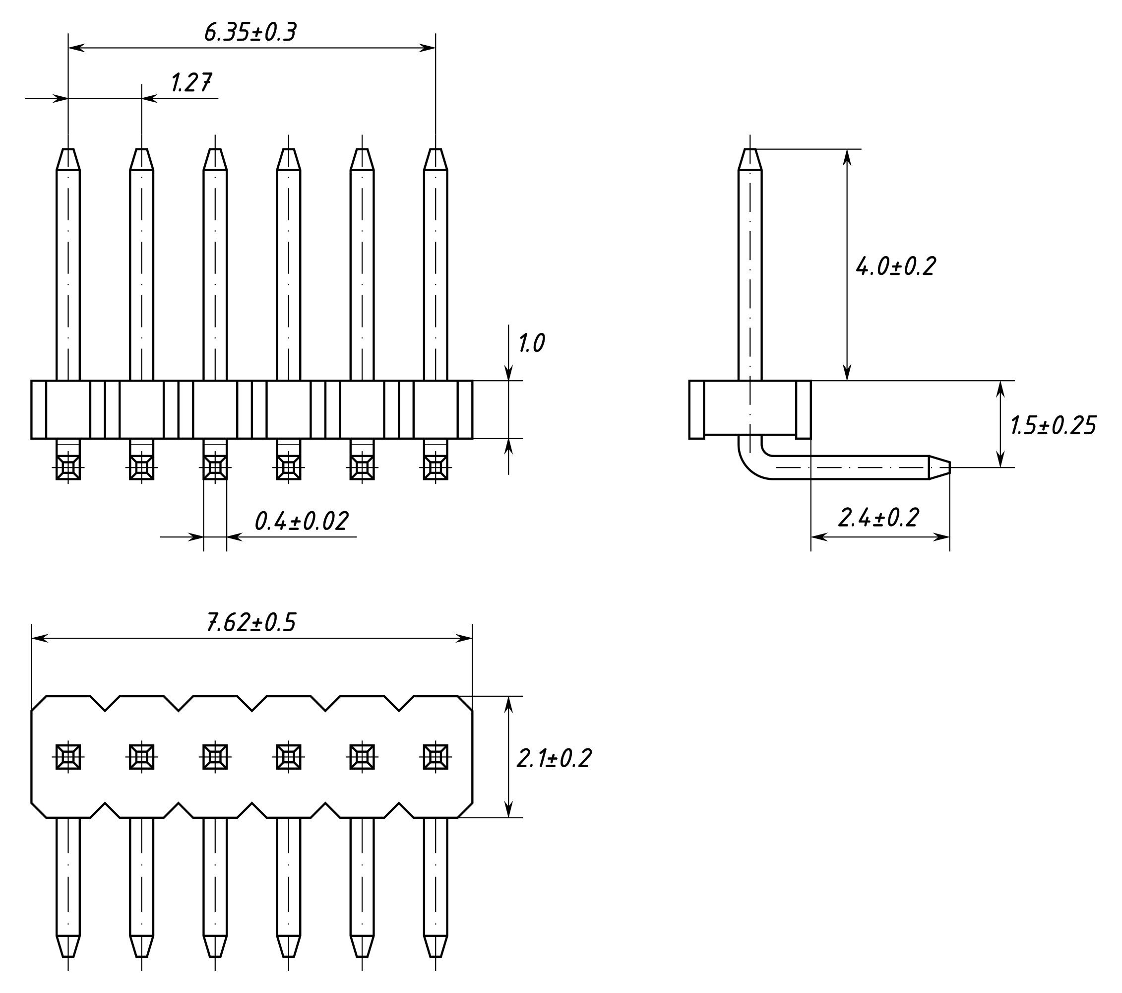
PHCRA6x1
Производитель:
Harwin
Код изделия:
M50-3930642
Right angle pin header 6x1
чертёж корпуса